产品型号:LH12864K4
产品名称:12864K4液晶屏 12864K4价格-12864K4
LCD12864K2液晶屏分辨率128*64外型尺寸36.0*37.5*8.6视域尺寸29*16.35显示区域25.58*14.06控制器ST7567接口方式串口工作温度-20℃~70℃电压3.3v,12864K2液晶接口,LCD12864K2显示模块,LCD12864K2液晶模块,LCD12864K2液晶显示模块,LCD12864K2串口液晶,欢迎来咨询
品牌: 尺寸:36.0*37.5*8.6
分辨率:128*64 亮度:
视角: 对比度:
背光: 工作温度:-20℃ ̴ 70℃
一、介绍
LH12864K4是LCD12864系列点阵型液晶显示模块。
二、模块基本参数表特征
| LH12864K4单色液晶屏参数表 | |
| 产品型号 | 12864系列 |
| 市场价 | 在线咨询 |
| 分辨率 | 128*64 |
| 外型尺寸 | 36.0*37.5*8.6 |
| 视域尺寸 | 29*16.35 |
| 显示区域 | 25.58*14.06 |
| 显示类型 | STN,YELLOW-GREEN |
| 背光 | WHITE |
| LCD显示角度 | 6点钟直观 |
| 控制器 | ST7565P |
| 驱动方式 | 1/64 duty,1/9 bias |
| 接口方式 | 串口 |
| 连接方式 | 导电胶条,铁框 |
| 工作温度 | -20℃~ 70℃ |
| 存储温度 | -30℃~ 80℃ |
| 电压 | 3.3V |
| 工艺 | COB |
● 补充说明:模块外观尺寸可根据用户的要求进行适度调整。
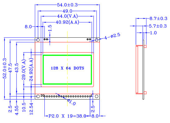
三:开模图纸

四;12864K4液晶使用过程中注意事项
12864K4液晶显示模块出货前,我们已经做了精确的装配和调试,因此客户在使用操作时请注意以下
几点:
(1) 模块上装有 LCD 屏,必须避免剧烈震动、冲击、挤压和从高处掉落。
(2) 液晶显示模块避免扭动,拆卸金属钮角.
(3) 液晶显示模块避免在印有线路的工作平台上操作.
(4) 避免接触,调整,修改导电橡胶.
(5) 防止施加直流电.
(6) 液晶显示屏中的液晶材料是有害物质,当不慎溅落到手,身体,衣服等处时,应尽快用肥皂
冲洗干净。